GST-ZF-500Z火災顯示盤




一、GST-ZF-500Z總線型火災顯示盤的性能特點:
GST-ZF-500Z 火災顯示盤是用單片機設計開發的漢字式火災顯示盤,用來顯示已報火警的探測器位置編號及其漢字信息并同時發出聲光報警信號。它通過消防總線與 GST200、GST500、GST5000、GST9000、及 GSTN1500 等火災報警控制器相連,處理并顯示火災報警控制器傳送過來的數據。當用一臺火災報警控制器同時監控數個樓層或防火分區時,可在每個樓層或防火分區設置火災顯示盤以取代區域火災報警控制器?;馂膱缶刂破髅總€回路最多可配接 242 臺火災顯示盤。
1、樓層或獨立防火區內的火災報警顯示裝置
2、占用1個總線點,編碼范圍1-242,支持電子編碼器編碼
3、可替代GST-ZF-101/GST-ZF-500火災顯示盤產品賣點:
a、接口簡單——接入消防二總線,安裝成本降低十分之一以上
b、智能提示——自動識別并顯示報警源(來自手動報警按鈕或探測器)
c、功耗低——最大功率相比下降一半以上,更加節能省電
d、過壓保護——輸入端耐壓AC650V,避免誤操作的嚴重后果
e、消音人性化——支持現場或聯動控制器遠程消音,操作靈活
f、顯示多樣化——支持全部火警/用戶設定/相鄰樓層等顯示方式
g、安裝方便——增加安裝對位標識,減少限位卡鉤,電源蓋換成橡膠塞
二、GST-ZF-500Z總線型火災顯示盤的外觀與配置
(1) 工作電壓:DC16.8V~DC27.6V
(2) 顯示容量:120 條火警信息
(3) 顯示范圍:每屏顯示 2 條火警信息,第一條為首警信息,第二條為循環顯示的火警信
息;按自檢/調顯鍵時,第一條為首警信息,第二條為調顯火警信息。
(4) 線制:四線制,總線和電源線各兩根,不分極性。
(5) 功耗
電源:靜態功耗≤15mA(DC24V)
最大功耗≤50mA (DC24V)
總線:電源供電時≤0.2mA
無電源時≤1.0mA
(6) 使用環境:
溫 度:0℃~+40℃
相對濕度≤95%,不凝露
(7) 外形尺寸:206mm×115mm×44mm
(8) 外殼防護等級:IP20
| 型號 | GST-ZF-500Z |
| 功耗 | 靜態功耗≤0.36W,最大功耗≤1.2W |
| 顯示區域 | 全部火警+用戶設定+相鄰樓層 |
| 標準二級漢字庫 | 有 |
| 顯示容量 | 可跨回路顯示,120條火警信息 |
| 顯示方式 | 漢字信息 |
| 通訊方式 | 消防二總線,無極性 |
| 消音功能 | 現場+遠程 |
三、GST-ZF-500Z總線型火災顯示盤的安裝與布線
| 安裝方式 | 壁掛式安裝 |
| 接地線 | 不需要 |
| 線制 | 四線制,2線無極性電源+2線無極性消防總線 |
| 電源線/通訊線防接錯功能 | 有 |
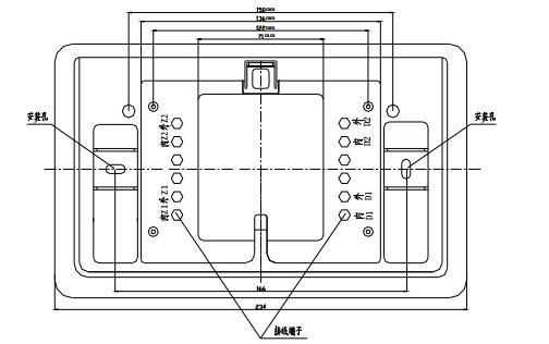
GST-ZF-101Z 火災顯示盤的外形示意圖如圖所示:

GST-ZF-101Z火災顯示盤分底座及顯示盤兩部分,采用壁掛式安裝,外接線路可直接與火災顯示盤的底座連接,火災顯示盤安裝底座示意圖如圖

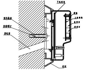
GST-ZF-101Z火災顯示盤安裝示意圖:

GST-ZF-101Z火災顯示盤接線端子示意圖如圖:

其中:
Z1、Z2:與火災報警控制器連接的通訊總線,不分極性;
D1、D2:電源供電線,不分極性。
本頁關鍵詞:
產品中心

蘇公網安備32058102002148號